100W 24v triac & 0 10v dimmable constant voltage 24v led power supply for led strip
This 110-277VAC universal input voltage range triac & 0-10V dimmable LED driver employs PWM mode and voltage reduction mode, providing ultra-deep dimming between 0-100%. It is highly compatible with most triac dimmers and 0-10V dimmers on the market, achieving smooth, stable, and flicker-free dimming.
Specification
| Model | SMT-EMT24100-VTD-A | SMT-EMT48100-VTD-A | |
| Certificate | UL/ SELV / FCC / RoHS / REACH | ||
| Output | DC Voltage | 24V | 48V | 
| Voltage Tolerance | ±1.5% | ±1% | |
| Voltage Regulation | ≤0.5% | ||
| Rated current | 4.17A | 2.08A | |
| Rated power | 100W | ||
| Load Regulation | ±1% | ||
| Input | Voltage Range | 110-277VAC | |
| Frequency Range | 47 - 63Hz | ||
| Power Factor (Typ.) @ full load | 0.99@120VAC 0.95@277VAC | ||
| THD(Typ. ) @ full load | <20%@120VAC &277VAC | ||
| Efficiency(Typ.) @ full load | ≥88.5%@120VAC ≥91%@277VAC | ≥88.5%@120VAC ≥91%@277VAC | |
| AC Current (Max.) | 1.2A | ||
| Inrush Current (Typ.) | 17A,810us@50%Ipeak110VAC;38A,148us@50%Ipeak277VAC | ||
| Leakage current | <0.5mA | ||
| Protection | Short Circuit | Hiccup mode, recovers automatically after fault condition is removed | |
| Over Load | ≤120% Constant current mode, recovers automatically after fault condition is removed | ||
| Over temperature | 100℃±10℃ shut down o/p voltage, automatically recover after cooling | ||
| Environment | Working TEMP. | -40~+60℃ (see below derating curve) | |
| Working Humidity | 20 - 90%RH non-condensing | ||
| Storage TEM.,Humidity | -40 - +80℃,10 - 95% RH non-condensing | ||
| TEMP.coefficient | ±0.03%/℃(0 - 50℃) | ||
| Safety & EMC | Safety standards | UL8750 (US) | |
| Withstand voltage | I/P-0/P: 1.8KVAC I/P-F/G: 1.8KVAC O/P-F/G: 0.5KVAC (US) | ||
| Isolation resistance | I/P-O/P: 100MΩ/ 500VDC/ 25℃/ 70% RH | ||
| EMC Emission | FCC Part 15 Subpart B (US) | ||
| Surge Immunity Test | Different mode: 2KV, Common mode:4KV | ||
| Others | Net Weight | 0.4KG | |
| Dimension | 355.5*20*24.2mm (L*W*H) | ||
| Packing | 50pcs /CTN | ||
| Notes | 1. All parameters NOT specially mentioned are measured at 120VAC input,rated load and 25℃ of ambient temperature. | ||
| 2. Under low input voltage, derating output is required to ensure a long life. | |||
	
Mechanical Specification
	 
 
| Note | LD30 | |
| American regulations | European regulations | |
| Input wire (connecting terminal) | Cables with cross-sectional area of 18AWG can be used | Cables with cross-sectional area of 1.0mm² can be used | 
| Output wire (connecting terminal) | Cables with cross sectional areas of 20AWG can be used | Cables with cross sectional areas of 0.51mm² can be used | 
| Dimming wire (connecting terminal) | Cables with cross sectional areas of 20AWG can be used | Cables with cross sectional areas of 0.51mm² can be used | 
| Remarks: | ||
Warm tips:
Recommended Max. Carrying Current (A) = wire diameter(mm2) x 10A/mm2.
For example: 1mm2output cable, Recommended Max. Carrying Current (A) = 1mm2 x 10A/mm2=10A
	
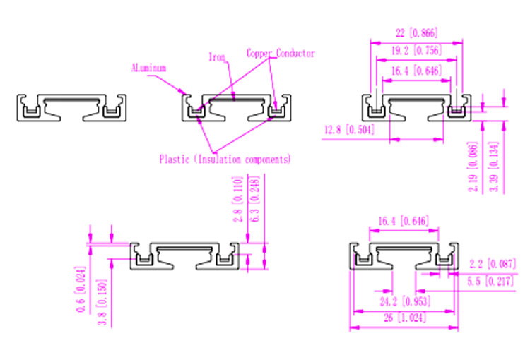
Compatible Track:
 
	
	
Dimming Connecting Diagram
Using two ways of dimming at the same time, you must be assured that LED lighting is up to the max. Brightness then you could operate with the other dimming;
	 
	
Using one dimming ---TRIAC/Phase cut dimming
The Pulse-Width Modulation (PWM) of output voltage can be adjusted through input terminal of the AC phase line(L) by connection A phase /Triac dimmer or lighting system.
Working with forward phase /leading edge, MLV and Reverse phase /trailing edge, ELV, TRIAC dimmers or light system.
Min. loading is about 15%
Please try to use dimmers with power at least 1.5 times as the output power of the driver.
	
	 
		Using one dimming ---0-10/ 1-10V/ 10V PWM/ Potentiometer dimming
 
	
Related Products
| This 5-in-1 dimmable 100W LED power supply with an aluminum housing is IP67 waterproof and has excellent heat dissipation, making it suitable for indoor and outdoor LED lighting projects in damp environments. It comes with a 7-year warranty. 
						 Model: SMT-012-100VTDSW Input Voltage: 100-277Vac 
						Dimming Mode: 5 in 1 dimmable 
 | 






 
	              











 
                                        
                                     
                                        
                                     
                                        
                                     
                                        
                                     
                                        
                                     
                                        
                                    






